| Argilla e calcite |
|
|
|
|
| Argilla e calcite |
| di kaapitone |
| Lun 22 Mar, 2010 5:48 pm |
| Viste: 211 |
|
| Autore |
Messaggio |
kaapitone utente attivo

Iscritto: 19 Mar 2009 Messaggi: 509 Località: Padova
|
Inviato: Lun 22 Mar, 2010 5:49 pm Oggetto: Argilla e calcite |
|
|
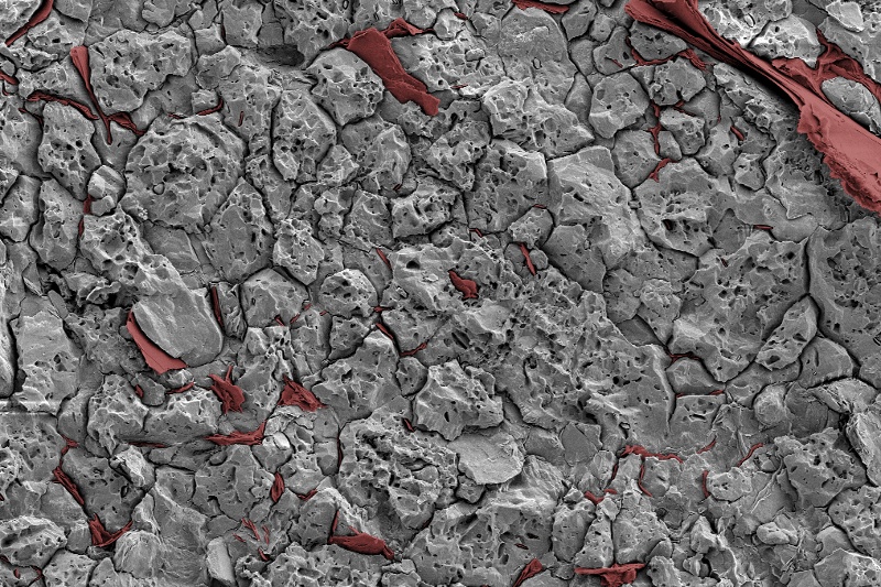
Microscopio elettronico e falsi colori: rosso, argilla; grigio, calcite...
Un esperimento per rendere facile all'osservatore distinguere i minerali... ma guardatela anche dal punto di vista "artistico".
Commenti e critiche sempre molto graditi |
|
Vai ad inizio pagina Vai a fine pagina |
|
 |
|
|